- 信息詳細您現在所在的位置:新鄉市富皓機械設備有限公司 > 產品展示 > 提升機械 > 正文
帶式斗式提升機

帶式斗式提升機通俗叫皮帶提升機或TD型斗式提升機
TD斗式提升機結構:點此鏈接→(詳細介紹提升機配件)
TD型斗式提升機由運行部分(料斗與牽引膠帶)、帶有傳動滾筒的上部區段,帶有拉緊滾筒的下部區段,中間機殼,驅動裝置,逆止制動裝置等組成。TD型斗式提升機適用于向上輸送松散密度ρ<1.5t/m3粉狀、粒狀和小塊狀的無磨琢性和半磨琢性散狀物料,如煤、砂、焦末、水泥、碎礦石等。
傳動裝置有兩種形式,分別配有YZ型減速器、ZQ(或YY)型減速器。YZ型軸減速器直接裝在主軸軸頭上,省去了提升機傳動平臺、聯軸器等,使其結構緊湊、重量輕,而且提升機內部帶有異型輥逆止器,逆止可靠。該減速器噪音低,運轉平穩,并隨主軸浮動,可消除安裝應力。
TD斗式提升機特點:
1、驅動功率小。采用流入式喂料、誘導式卸料、大容量的料斗密集型布置,在物料提升時幾乎無回料和挖料現象,因此無效功率少。
2、提升范圍廣。這類提升機對物料的種類、特性要求少,不但能提升一般粉狀、小顆粒狀物料,而且可提升磨琢性較大的物料,密封性好,環境污染少。
3、運行可靠。先進的設計原理和加工方法,保證了整機運行的可靠性,無故障時間超過2萬小時。提升度高,提升機運行平穩,因此可達到較高的提升高度。
4、使用壽命長。提升機的喂料采取流入式,無需用斗挖料,材料之間很少發生擠壓和碰撞現象。在設計時保證物料在喂料、卸料時少有撒落,減少了機械磨損。
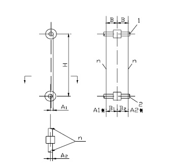
TD斗式提升機安裝尺寸圖:

TD斗提機外形結構主要尺寸:

|
型號
|
TD100
|
TD160
|
TD250
|
TD315
|
TD400
|
TD500
|
TD630
|
|
|
輪廓高度L
|
C+1100
|
C+1363
|
C+1535
|
C+1640
|
C+1790
|
C+1865
|
C+2045
|
|
|
整機結構
|
H
|
C-820
|
C-930
|
C-1250
|
C-1245
|
C-1500
|
C-1700
|
C-1730
|
|
H4
|
600
|
700
|
800
|
850
|
950
|
900
|
1060
|
|
|
S
|
200
|
250
|
300
|
300
|
400
|
400
|
380
|
|
|
料斗
|
T
|
200
|
350/280
|
450/360
|
500/400
|
560/480
|
625/500
|
710
|
|
B
|
100
|
160
|
250
|
315
|
400
|
500
|
630
|
|
|
地腳孔
|
a8
|
200
|
250
|
300
|
300
|
400
|
400
|
380
|
|
b8
|
310
|
400
|
538
|
648
|
768
|
900
|
1020
|
|
|
n8
|
8
|
8
|
8
|
8
|
8
|
8
|
10
|
|
|
d3
|
Φ18
|
Φ18
|
Φ18
|
Φ18
|
Φ22
|
Φ22
|
Φ30
|
|
|
上、下機殼及外形輪廓
|
H3
|
970
|
1185
|
1320
|
1488
|
1500
|
1655
|
1750
|
|
H6
|
1210
|
1500
|
1800
|
1800
|
2000
|
2300
|
2500
|
|
|
A2
|
692
|
985
|
1175
|
1200
|
1350
|
1410
|
1590
|
|
|
A6
|
776
|
996
|
1266
|
1266
|
1558
|
1610
|
1890
|
|
|
A7
|
1050
|
1235
|
1600
|
1700
|
1980
|
2200
|
2500
|
|
|
B2
|
220
|
295
|
394
|
440
|
535
|
650
|
660
|
|
|
B4
|
370
|
461
|
596
|
706
|
828
|
980
|
1110
|
|
|
B5
|
330
|
475
|
610
|
710
|
835
|
1000
|
1110
|
|
|
中部機殼
|
A4
|
776
|
982
|
1152
|
1254
|
1548
|
1570
|
1850
|
|
A5
|
805
|
1021
|
1302
|
1400
|
1580
|
1630
|
1910
|
|
|
B3
|
390
|
525
|
682
|
794
|
920
|
1040
|
1160
|
|
|
卸料口
|
H1
|
520
|
630
|
750
|
795
|
850
|
1000
|
1200
|
|
A3
|
438
|
548
|
713
|
763
|
824
|
885
|
1045
|
|
|
a1
|
334
|
365
|
600
|
560
|
670
|
700
|
700
|
|
|
a2
|
120
|
150
|
200
|
230
|
295
|
355
|
300
|
|
|
a3
|
390
|
431
|
676
|
638
|
758
|
800
|
1000
|
|
|
b1
|
224
|
315
|
450
|
560
|
670
|
780
|
900
|
|
|
b2
|
95
|
150
|
200
|
230
|
295
|
300
|
280
|
|
|
b3
|
280
|
381
|
526
|
638
|
758
|
800
|
1000
|
|
|
n1
|
12
|
12
|
12
|
12
|
12
|
12
|
14
|
|
|
d1
|
Φ12
|
Φ12
|
Φ12
|
Φ12
|
Φ14
|
Φ18
|
Φ18
|
|
|
進料口
|
H5
|
900
|
1000
|
1320
|
1320
|
1600
|
1600
|
1885
|
|
a4
|
280
|
260
|
355
|
400
|
450
|
500
|
560
|
|
|
a5
|
80
|
43
|
58
|
80
|
100
|
65
|
85
|
|
|
a6
|
100
|
110
|
150
|
160
|
175
|
210
|
160
|
|
|
a7
|
19
|
26
|
45
|
38
|
40
|
40
|
30
|
|
|
b4
|
220
|
260
|
320
|
400
|
450
|
500
|
630
|
|
|
b5
|
100
|
110
|
155
|
160
|
210
|
220
|
160
|
|
|
b6
|
250
|
306
|
370
|
460
|
510
|
550
|
700
|
|
|
n2
|
9
|
9
|
9
|
9
|
9
|
9
|
12
|
|
|
d2
|
Φ10
|
Φ12
|
Φ12
|
Φ12
|
Φ14
|
Φ14
|
Φ14
|
|
TD斗式提升機圖片:



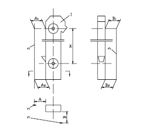
1、 主軸的水平度不應大于0.3/1000;
2、 帶式提升機上、下軸安裝的允許偏差(圖2)應符合表1的規定;





TD-D型斗式提升機技術參數:
說明:
1.表中斗容為計算斗容,輸送量按填充系數0.6計算得出。
2.斗提機料斗用途為:
淺料斗:輸送潮濕、易結塊、難拋出的物料。如濕沙、濕煤等。
深料斗:輸送干燥的、松散的、易拋出的物料。如水泥、煤塊、碎石等。
潤滑:
操作人員應使本機保持良好的潤滑狀態,定期更換或注入新的潤滑油或潤滑脂。

★ 本公司對提供的產品圖片、技術參數等資料保留終的解釋權并以生產實物為準。
★本公司銷售熱線:18637380011 技術熱線:18437370011
- 旋振篩全封閉結構利于環保 2019-04-29
- 旋振篩篩網破損換網只需要3-5分鐘 2019-04-18
- 礦用直線篩要均勻給料,定期檢查設備 2019-04-10
- 試驗篩用來檢測物料是否合格 2019-03-26
- 直線篩穩定可靠產量大發源地河南新鄉 2019-03-19
網址:www.keruide.net.cn
二維碼







