- 信息詳細您現在所在的位置:新鄉市富皓機械設備有限公司 > 產品展示 > 配件及其他設備 > 正文
提升機配件
提升機齒輪:





富皓機械生產各種提升機配件如:不銹鋼鏈條、環鏈、板鏈、NE板鏈、鏈輪、環鏈鏈輪、板鏈鏈輪、NE頭論、尾輪等,并可以根據客戶需求定做各類配件。
提升機鏈條適用條件:
該產品適用于斗式提升機、運輸提升機械和鍋爐去渣機。

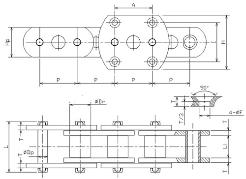
外形及安裝尺寸:
棒料直徑d
節距t
外寬B
整條長度n×t
理論重量kg/m
14±O.5
50±1.2
48±1.1
n×t+0.6-0.9
4.O
18±0.5
50±1.2
58±1.1
n×t+22-1.3
6.9
64±1.2
58+1.1
6.5
20±O.7
70+1.6
70+2-1
n×t+25-1.4
8.6
22±O.7
70±1.6
72+1.5
n×t+28-1.6
9.5
76±1.6
72±1.5
9.6
86±1.6
74±1.O
lO.O
26±0.8
92±O.9
860-1.5
n×t+32-1.8
13.3
30±0.9
105±1.0
1010-1.5
n×t+37-2.1
18.1
108±1.O
980-1.5
17.7
34±1.0
126±1.2
130±1.5
n×t+44-2.5
22.7
技術參數:
提升鏈規格
A級
B級
試驗負荷KN
殘余變形(%)
破斷負荷KN
試驗負荷KN
殘余變形(%)
破斷負荷KN
14×50
77
O
≥154
90
O
≥180
18×50
18×64125
0
≥250
150
0
≥300
20×70
160
O
≥320
190
O
≥380
22x70
22×76
22×86185
O
≥370
225
O
≥450
26×92
250
0
≥500
313
0
≥626
30×105
30×108340
O
≥680
417
O
≥834
34×126
446
0
≥892
535
0
≥1070
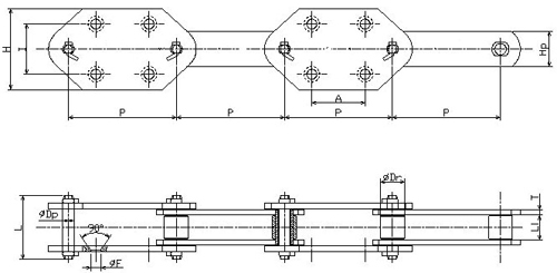
NSE板鏈、滾子鏈:

(1)內外鏈板:40Cr ;
(2)銷軸:20CrMnMo ;
(3)套筒:20CrMo ;
(4)滾子:20CrMo;調質HB293-365 ;
炭氮共滲(0.5mm)淬火HRC55-62;
炭氮共滲(0.5mm)淬火HRC55-60;
炭氮共滲(0.5mm)淬火HRC50-55。
二、德國進口的網袋式自動翻轉熱處理設備,均勻透徹滲碳淬火。
三、(1)銷軸和外鏈板固定,套筒和內鏈板固定有效的減少承載部件的磨損。
(2)銷軸和套筒、滾子和套筒根據物料采取不同的間隙配合,防止物料對鏈條的磨損和節距伸長。
(3)外鏈板沖壓成彎板結構既方便固定斗子,又減少運載機構的使用空間。

|
型號 |
節距 |
滾子外徑 |
內節內寬 |
銷軸直徑 |
銷軸長度 |
鏈板厚 |
鏈板寬 |
六孔板高 |
螺孔直徑 |
鏈斗安裝 |
載荷 (Tmax) |
|
NSE100 |
76.2 |
36.00 |
36.5 |
17.10 |
90 |
8 |
50 |
105 |
14 |
70*66 |
230 |
|
NSE200 |
100 |
44.50 |
51.8 |
21.10 |
120 |
10 |
60 |
150 |
18 |
100*105 |
380 |
|
NSE300 |
100 |
48.50 |
57.6 |
23.10 |
126 |
10 |
75 |
150 |
18 |
100*105 |
550 |
|
NSE400 |
100 |
51.00 |
57.60 |
25.20 |
126 |
10 |
75 |
150 |
18 |
100*105 |
650 |
|
NSE500 |
125 |
63.50 |
67.4 |
31.75 |
150 |
12 |
90 |
180 |
18 |
125*130 |
750 |
|
NSE500B |
125 |
70.00 |
67.4 |
35.00 |
150 |
12 |
90 |
180 |
18 |
125*130 |
850 |
|
NSE600 |
125 |
70.00 |
75 |
35.00 |
170 |
16 |
100 |
180 |
18 |
125*130 |
1000 |
|
NSE700 |
150 |
75.00 |
82.5 |
38.50 |
180 |
16 |
110 |
210 |
22 |
150*160 |
1250 |
NE板鏈技術參數:


|
型號 |
節距 |
滾子外徑 |
內節內寬 |
銷軸直徑 |
銷軸長度 |
鏈板厚 |
鏈板寬 |
六孔板高 |
螺孔直徑 |
鏈斗安裝 |
破斷載荷 |
|
NE-50 |
152.4 |
36.00 |
36.50 |
17.10 |
90 |
8 |
50 |
110 |
14 |
75*70 |
230 |
|
NE-100 |
200 |
44.50 |
51.80 |
21.10 |
120 |
10 |
60 |
125 |
18 |
100*80 |
380 |
|
NE-150 |
200 |
48.50 |
57.60 |
23.10 |
126 |
10 |
75 |
125 |
18 |
100*80 |
550 |
|
NE-150Q |
200 |
51.00 |
57.60 |
25.20 |
126 |
10 |
75 |
125 |
18 |
100*80 |
650 |
|
NE-200 |
250 |
63.50 |
67.40 |
31.75 |
150 |
12 |
90 |
150 |
18 |
140*100 |
750 |
|
NE-200Q |
250 |
70.00 |
67.40 |
35.00 |
150 |
12 |
90 |
150 |
18 |
140*100 |
880 |
|
NE-300 |
250 |
70.00 |
75.00 |
35.00 |
170 |
16 |
100 |
150 |
18 |
140*100 |
1000 |
|
NE-400 |
300 |
70.00 |
75.00 |
35.00 |
170 |
16 |
100 |
180 |
22 |
170*120 |
1000 |
|
NE-500 |
300 |
75.00 |
82.50 |
38.50 |
180 |
16 |
110 |
200 |
22 |
170*120 |
1250 |
|
NE-600 |
350 |
83.00 |
85.00 |
42.00 |
190 |
16 |
120 |
210 |
22 |
200*170 |
1500 |
尼龍、塑料提升斗:


富皓機械生產各種提升機配件如:提升斗、不銹鋼提升斗、塑料提升斗、尼龍提升斗等,并可以根據客戶需求定做各類配件。
斗式提升機用于化工,糧飼、建材生產中的物料提升上,一直采用金屬材料制成。由于金屬材料自身的特性,在提升設備的運行中存在著很多弊病,長期以來得不到很好的解決。新產品高分子材料提升斗的出現,彌補了傳統金屬斗的不足。
高分子材料提升斗的特性可以體現在以下幾個方面:
一、本產品具有無毒性,自潤滑性,耐腐蝕,長期磨損不污染原料等特點。
二、本產品具有很高的耐沖擊強度和彈性,提升機在運行中碰撞金屬異物或機殼時,能產 生彈性蔽讓,減少噪音,避免了金屬材料斗經常出現的變形、撕裂線帶等事故,提高了生產效率。
三、本產品具有價格低、重量輕、耐磨性好等優點。從而降低了提升機的設備負荷,節約電耗,延長了設備的使用時間,減少了維修工時,降低了生產成本。
四、本產品具有良好的倒凈性能:由于金屬料斗在提升原料時,往往會將物料粘在金屬斗上,不能完全倒凈,并對金屬料斗產生腐蝕而長期金屬料斗的磨損,也會增加原料中鐵的含量,影響了產品質量,而高分子材料提升斗卻彌補了金屬材料產品的這些不足,提高了產品質量。根據此材料的特性,高分子材料產品在化工,糧飼,建材的生產中必將成為金屬材料的升級換代產品。
技術參數:
1、加工方式:注射成型
2、畚斗連接孔距、孔徑可根據用戶需要免費鉆孔(標準孔距、孔徑
請參照規格表)
3、畚斗間距:建議畚斗間距為斗背寬
4、安裝:使用普通、方頸畚斗螺釘、牙口或皮帶螺釘
5、衛生標準:符合國家安全衛生標準
使用建議 :
適用于離心式卸料方式的提升機
一般提升機線速度小于等于2-3.3米/秒
改性高密度聚乙烯理化性能 :
A、密度: 0.935~0.960 g/cm2
B、機械性能:斷裂強度:2900 N/cm2 斷裂伸長率:300%
C、畚斗使用環境溫度: -50℃~+80℃
耐熱性能:融點:136℃ 維卡軟化點:134℃ 脆化溫度:≤-70℃
熱膨脹系數:1.5×10-14m/℃ 熱變形溫度:85℃
D、磨擦性能指標:磨損平均率:≤1.32 磨擦系數:0.08~0.12
E、在運行過程中不會因碰撞而產生火花或因磨擦帶有很強的靜電荷而
產生放電現象
其體積電阻率:≤7×1015Ω·cm
尼龍理化性能:
A、密度:1.14g/cm2
B、機械性能:拉伸強度:82.7Mpa 斷裂伸長率:≥300%
C、畚斗使用環境溫度:-40℃~+105℃
耐熱性能:融點 255℃ 脆化溫度 -80℃
熱膨脹系數:7×10-5m/℃ 熱變形溫度:255℃ (0.5×106Pa)
D、體積電阻率:1×1015g/cm2

鐵斗、不銹鋼斗 :



斗式提升機料斗,又稱提升機挖斗,用于膠帶提升機,鏈條提升機,板鏈提升機上,常用規格有:TD/TH160,200,250,315,400,500,630等。材質分為碳鋼,不銹鋼,塑料和尼龍四種材質。
TD膠帶斗式提升機(皮帶斗式提升機)適用于垂直輸送粉狀、粒狀、及小塊狀的磨吸性較小的散狀物料,如糧食、煤、水泥、爐渣、鑄造砂、碎礦石等,常用規格:td100,td160,td250,td315,td400,td500等型號;提升高度40m。TD斗式提升機嚴格按照JB3926-85《垂直斗式提升機》標準設計制造,目前國內常用的斗式提升機均為垂直式。
特點:
結構簡單,運行平穩,挖取式裝料,離心重力式卸料,物料溫度不超過60℃;TD斗式提升機與傳統D型斗式提升機相比輸送效率高、料斗形式多,應優先 選用。TD斗式提升機備有四種料斗,即:Q型(淺斗)、H型(弧底斗)、ZD型(中深斗)、SD型(深斗)。TD斗式提升機均采用皮帶+料斗提升輸送物料,目前已涉及到糧食、煤炭、粉煤灰、水泥、碎礦石、石英砂、炭素等行業領域中,并得到很好的應用。
1、提升范圍廣:本系列斗式提升機對物料的種類、特性要求少,不但能提升一般粉狀、小顆粒狀物料,而且可提升磨琢性較大的物料。
2、密封性好,環境污染少。
3、驅動功率小,采用流入式喂料、誘導式卸料;采用大容量的料斗密集型布置,在物料提升時幾乎無回料和挖料現象,因此無效功率少。
4、使用壽命長:提升機的喂料采取流入式,無需用斗挖料,材料之間很少發生擠壓和碰撞現象。本機在設計時保證物料在喂料、卸料時少有撒落,減少了機械磨損。
5、提升高度高:提升機運行平穩,因此可達到較高的提升高度。
6、運行可靠性高:先進的設計原理和制造工藝,保證了整機運行的可靠性,無故障時間超過2萬小時。
★ 本公司對提供的產品圖片、技術參數等資料保留終的解釋權并以生產實物為準。
★本公司銷售熱線:18637380011 技術熱線:18437370011
- 旋振篩全封閉結構利于環保 2019-04-29
- 旋振篩篩網破損換網只需要3-5分鐘 2019-04-18
- 礦用直線篩要均勻給料,定期檢查設備 2019-04-10
- 試驗篩用來檢測物料是否合格 2019-03-26
- 直線篩穩定可靠產量大發源地河南新鄉 2019-03-19
網址:www.keruide.net.cn
二維碼







